ステンレス鋼製棚受アングル SSA型

ステンレス鋼製棚受アングル SSA型

ステンレス鋼製棚受アングル SSA型

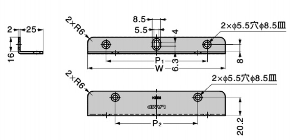
  • 受け部が広く安定したL型の棚受です。
  • 取付部が棚板に隠れ、すっきりとした納まりになります。
  • 中央の穴が長穴のため、仮止め後、上下それぞれ2 mmの調整ができます。
材質 SUS304
仕上 ヘアーライン
耐荷重 (N) 1470、(kgf) 150
※棚板1枚あたりアングル2ヶ使いの数値
付属品 十字穴付き皿タッピンねじ3.5×16(ステンレス鋼)
十字穴付き皿タッピンねじ3.5×12(ステンレス鋼)
品番 サイズ
W/p1/P2
入数 価格 購入数
SSA-100H 100/60/40 1 948円
SSA-150H 150/110/90 1 1,081円
SSA-200H 200/160/130 1 1,305円

別売品:石膏ボード用ねじ 十字穴付き皿タッピンねじ3.5×40(ステンレス鋼)

品番 入数 価格 購入数
SSA-SBS35-40 3本 83円

 

ページTOP